Технические характеристики
- Типоразмер: 6
- Серия изделия: 2X
- Максимальное рабочее давление: 315 бар
- Номинальный расход: 2…40 л/мин.
- Максимальный объемный расход: 40 л/мин
Принцип действия гидрораспределителей Rexroth 4WRPH 6 C4 B26P-20/G24Z4/M в галерее изображений.
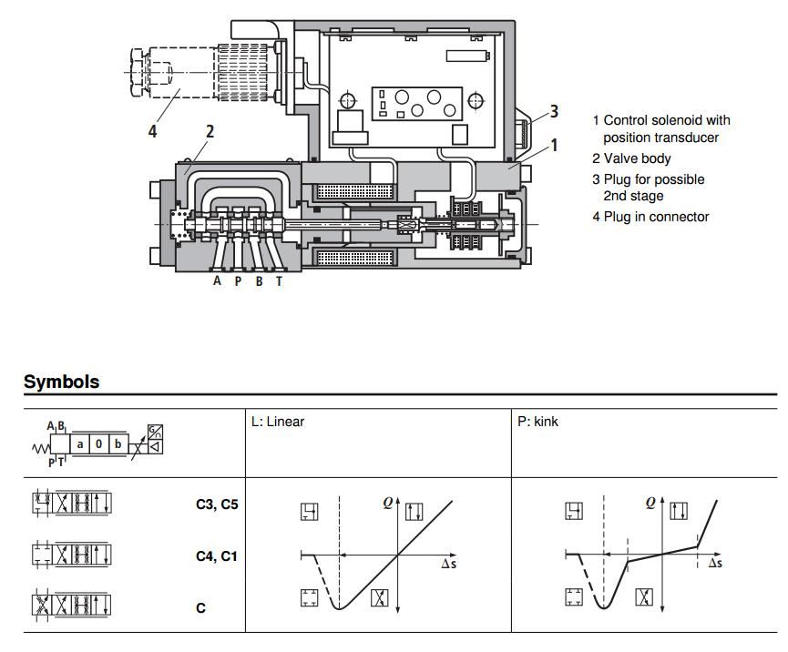
Основные части распределителей:
корпус (1), один или два магнита (2), золотник (3), а также одна или две возвратные пружины (4).







