ГАРАНТИИ ПРОИЗВОДИТЕЛЕЙ Доставка до ТК - бесплатно! Подбор гидрораспределителя - бесплатно!
Пропорциональный распределитель Rexroth 4WREE 10 W1-50-23/G24K31/A1V Пропорциональный распределитель Rexroth 4WREE 10 W1-50-23/G24K31/A1V Пропорциональный распределитель Rexroth 4WREE 10 W1-50-23/G24K31/A1V
Поделиться:

Пропорциональный распределитель Rexroth 4WREE 10 W1-50-23/G24K31/A1V

4/2- и 4/3-ходовые пропорциональные распределители прямого действия с электрической обратной связью по положению, со встроенными электронными устройствами (OBE) или без них.

  • Пропорциональные pаспределители
  • Прямого действия
  • с электрической обратной связью
  • Типоразмер 6 и 10
  • Расположение монтажных отверстий в соответствии с ISO 4401
  • Регулируют направление и величину объемного расхода
  • Управляются пропорциональными электромагнитами
  • Золотник центрируется пружинами
  • Возможны различные перекрытия золотника
  • С интегрированными электронными устройствами (OBE) для типа 4WREE

Клапан типа 4WRE(E) – это пропорциональный распределитель прямого действия с электрической обратной связью для установки на плите.

Управление осуществляется с помощью пропорционально регулируемых электромагнитов.

Управление электромагнитами происходит с помощью внешних или встроенных электронных устройств (OBE).

Цену уточняйте по номеру телефона
+7 (351) 200-22-88 или оставьте ваши контакты и мы вам перезвоним

Технические характеристики

Наименование характеристики Значение
Серия
Максимальное рабочее давление 315 бар
Максимальный расход 180 л/мин
Способ установки золотника Центрированный пружинами управляющий золотник
Типоразмер 10
Установка  Для установки на плите
Расположение монтажных отверстий по ISO 4401
Регулирование направление и величина объемного расхода
С электрической обратной связью по положению
Со встроенными электронными устройствами OBE
Принцип действия распределителя с 2 и с тремя положениями включения схож.

 

Отличие состоит в том, что распределители с 2 положениями включения оборудованы только одним электромагнитом "a" (7). На месте 2-го пропорционально регулируемого электромагнита находится резьбовая заглушка (10).

4/2- и 4/3-ходовые пропорциональные распределители устанавливаются на плите.

Управление осуществляется с помощью пропорционально регулируемых магнитов с центрирующей резьбой и съемной катушкой. Управление осуществляется электромагнитами с центрирующей резьбой и съемной катушкой, которые регулируются пропорционально с помощью встроенных электронных устройств.

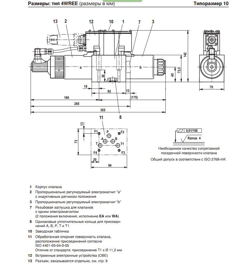
Строение и принцип работы

Корпус (1) с поверхностью подключения

Управляющий золотник (2) с пружинами сжатия (3 и 4) и тарелками пружин (5 и 6)

Электромагниты (7 и 8) с центрирующей резьбой

Датчик положения (9)

строенные электронные устройства (13)

Доступное через Pg7 устройство электрической регулировки нуля (12)

Функции:

  • Удерживание управляющего золотника (2) в среднем положении под действием пружин сжатия (3 и 4) между тарелками (5 и 6) при отключенных электромагнитах (7 и 8)
  • Непосредственное приведение в действие управляющего золотника (2) путем управления одним из пропорционально регулируемых электромагнитов, например магнитом "b" (8)

Перемещение управляющего золотника (2) влево пропорционально электрическому входному сигналу.

Открытие каналов из P в А и из В в T с помощью дросселирующих поперечных разрезов с прогрессивной характеристикой пропускной способности.

Отключение электромагнита (8).

Возврат управляющего золотника (2) в среднее положение с помощью пружины сжатия (3).

В отключенном состоянии управляющий золотник (2) удерживается возвратными пружинами электромагнитов в механическом среднем положении.

Для управляющего золотника с условным обозначением V оно не соответствует гидравлическому среднему положению!

При замыкании электрического контура управления распределителя управляющий золотник перемещается в гидравлическое среднее положение.

 

Импортозамещение гидрораспределителей 

Используя технические характеристиками, схемы, описание устройства и принцип работы нижеперечисленных гидрораспределителей, можно осуществить подбор и заменить данные гидравлические распределители на распределители отечественного производства.

Гидрораспределители Rexroth:

 

  1. Rexroth 4WE 6 A62 EG24N9K4
  2. Rexroth 4WE 6 E62/EG24N9K4
  3. Rexroth 4WE 6 HA62/EG24N9K4
  4. Rexroth 4WE 6 D62 EG24N9K4
  5. Rexroth 4WE 6 M62 EG24N9K4
  6. Rexroth 4WE 6 G62 EG24N9K4
  7. Rexroth 4WE 6 J62 EG24N9K4
  8. Rexroth 4WE 10 J33/CG24N9K4
  9. Rexroth 4WE 10 E33/CG24N9K4
  10. Rexroth 4WE 10 D33/G24N9K4
  11. Rexroth 4WE 10 D62/G24N9K4
  12. Rexroth 4WE 10 D3X/G24N9K4
  13. Rexroth 4WE 10 Y62/G24N9K4
  14. Rexroth 4WE 10 H62/G24N9K4
  15. Rexroth 4WE 10 J62/G24N9K4
  16. Rexroth 4WE 10 E62/G24N9K4
  17. Rexroth 4WE 10 E50/G24N9K4
  18. Rexroth 4WE 10 G33/G24N9K4
  19. Rexroth 4WE 10 G62/G24N9K4
  20. Rexroth 4WE 10 J33/G24N9K4
  21. Rexroth 4WE 10 J33/G24N9K4
  22. Пропорциональный распределитель Rexroth 4WRZE 25 W8-325-07/6
  23. Пропорциональный распределитель Rexroth 4WRKE 25 W6-350L-33/6
  24. Пропорциональный распределитель Rexroth 4WRPH 6 C4 B25P-20/G24Z4/M
  25. Пропорциональный распределитель Rexroth 4WRZE 25 W8-325-71/6
  26. Пропорциональный распределитель Rexroth 4WREE 10 W1-50-23/G24K31/A1V
  27. Пропорциональный распределитель Rexroth HY N25 RPE325.TD
  28. Пропорциональный распределитель Rexroth 4WMM6D53 F V
  29. Пропорциональный распределитель Rexroth 4WEH22 E76 6EG24N9ESK4 B10
  30. Пропорциональный распределитель Rexroth 4WEH22 G76 6EG24N9ESK4 B10
  31. Пропорциональный распределитель Rexroth 4WEH22 H76 6EG24N9ESK4 B10
  32. Пропорциональный распределитель Rexroth 4WEH22 J76 6EG24N9ESK4 B10
  33. Пропорциональный распределитель Rexroth 4WEH22 M76 6EG24N9ESK4 B10
  34. Пропорциональный распределитель Rexroth 4WPKE25 W6-350L-33/6EG24ETK31/A1D3M

 

Гидрораспределители Atos:

  1. ATOS DHI-0751/2WP 23
  2. ATOS DPHI-3713/D 55
  3. ATOS DH-0631/2/A DC 10
  4. ATOS DHE-0713 DC10
  5. ATOS DKE-1713 DC 10
  6. ATOS DKE-1711 DC 10

 

Гидрораспределители Parker:

  1. Parker D1DW-30-B-V-JP-70
  2. Parker D1VW-001-C-N-Y-W-91
  3. Parker D1VW-004-C-N-Y-W-91
  4. Parker D1VW-004-C-N-J-W-91
  5. Parker D81VW 030 B 1 N J W 91 X729
  6. Parker D3W-0-0-9-C-N-J-W-42

 

Гидрораспределители Caproni RH06(RH10)...1-...F... (с электромагнитным управлением):

  1. RH06...1-...F... (с электромагнитным управлением, Ду=6 мм)
  2. RH10...1-...F... (с электромагнитным управлением, Ду=10 мм)

 

Пожалуйста, уточняйте цену у консультанта онлайн, по электронной почте: 82002288@mail.ru или по тел. + 7 (351) 200 22 88.

Продукция в наличии. Звоните!

 

Остались вопросы? Напишите нам!

Пожалуйста, заполните поля формы,
чтобы наши специалисты могли
связаться с вами

Оставить заявку
Гидравлическая аппаратура для распределения и управления потоками. Классификация.
Подробнее
Гидрораспределитель. Назначение, основные характеристики. Секционный вид распределителя и его состав.
Подробнее
Масса (без рабочей жидкости) в сравнении: ВЕХ10 не более 3,7кг < ВМР10 не более 3,8кг ВММ10 не более 4кг ВЕ10 не более 6,1кг.
Подробнее
Используя данный сайт, Вы соглашаетесь с условиями пользовательского соглашения и даёте разрешение на использование файлов куки(cookies).