ГАРАНТИИ ПРОИЗВОДИТЕЛЕЙ Доставка до ТК - бесплатно! Подбор гидрораспределителя - бесплатно!
1РММ10 14 Гидрораспределитель золотниковый с ручным управлением 1РММ10 14 в наличии в ТД УралГидроМаш в Челябинске с гарантией производителя. Подбор бесплатно. Схемы подключения. Цена. 1РММ10 14 1РММ10 14
Поделиться:

1РММ10 14

  • золотниковый гидрораспределитель
  • работает от ручного управления - положение золотника управляется движением руки
  • золотник имеет три положения при управлении
  • Ду = 10мм
    Гидрораспределитель 1РММ10.14 имеет аналог (устаревший) - это ВММ10.14

Назначение гидрораспределителя 1РММ10.14

Гидравлический распределитель — устройство, предназначенное для управления гидравлическими потоками в гидросистеме с помощью внешнего воздействия. Предназначен для изменения направления или пуска и остановки потока рабочей жидкости в гидравлических линиях, машинах, оборудовании.

Применение 1РММ10.14

Используется в дорожно-транспортных, сельскохозяйственных и других машинах и, в первую очередь, устанавливается в гидросистемы на станки, гидравлические прессы, системы и устройства с автоматическим и полуавтоматическим циклом работы (ГАП, манипуляторы, станки с ЧПУ) работающих при температуре от -20 до +70ºС.

Цену уточняйте по номеру телефона
+7 (351) 200-22-88 или оставьте ваши контакты и мы вам перезвоним

Технические характеристики

Наименование характеристики Значение
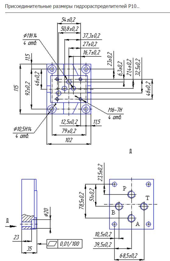
 Условный проход  10 мм
 Давление на входе  32 (320)  МПа, (кгс/см2)
 Масса  не более 3,8 кг
 Максимальное давление на выходе 15 (150) МПа (кгс/см2)  
 Расход рабочей жидкости ном./макс.  100/120 л/мин
Тип управления механическое (при помощи тяги)
Схема распределения потоков рабочей жидкости 14
Возврат золотника Пружинный
Без фиксации золотника в крайних положениях  

 

Устройство гидрораспределителей 1РММ 10 14

корпус
золотник - переключается вручную
электромагнит (один или два)
каналы, с помощью которых подключаются гидролинии
рукоятка или поворотный переключатель
возвратные пружины

Золотник в корпусе переключается вручную с помощью рукоятки (или поворотного переключателя), связанной с золотником через поводок.

В трехпозиционных гидрораспределителях с пружинным центрированием после снятия усилия с рукоятки золотник пружинами устанавливается в среднюю (нейтральную) позицию.

В среднем положении все каналы перепускают рабочую жидкость.

Работа гидрораспределителя 1РММ 10 14

Смещение золотника в одну из рабочих позиций производится одним из электромагнитов с помощью толкателя.

Возврат золотника в среднюю позицию пружинами происходит в результате отключения электромагнитов.

Кнопки служат для подключения магнитов к электросистеме при наладке и в случае аварийной ситуации. В стандартных условиях магниты подключаются штепсельным разъемом. 

Гидравлические распределители 1РММ представлены в нашей товарной карте

Гидрораспределитель 1РММ6 Гидрораспределитель 1РММ10
 с фиксацией пружинами  шариковым пружинным фиксатором

с фиксацией пружинами

 шариковым пружинным фиксатором

1РММ6 14

1РММ6 24

1РММ6 34

1РММ6 64

1РММ6 573

1РММ6 574

1РМР6 574А

=1ВМР6 574А

1РММ6 14Ф

1РММ6 24Ф

1РММ6 34Ф

1РММ6 44Ф

1РММ6 64Ф

1РММ10 14

1РММ10 34

1РММ10 44

1РММ10 64

1РММ10 574

 

1РММ10 14Ф

1РММ10 34Ф

1РММ10 44Ф

1РММ10 64Ф

Используемая для гидрораспределителей 1РММ10  рабочая жидкость по ГОСТ 17216-71 требует очистки не грубее 12-го класса чистоты. Следовательно, от применения фильтров (с тонкостью фильтрации ном. не грубее 25 мкм) зависит надёжность и долговечность гидроаппарата.

Предъявляемым требованиям соответствуют следующие рабочие жидкости: ИГП-30, ИГП-34, ИГП-18, ВНИИ НП-403 при температуре рабочей жидкости от +1 до +70ºC.

Использование других жидкостей с аналогичными свойствами допускается.

Гидрораспределители 1РММ эксплуатируются на минеральных маслах с кинематической вязкостью от 10 до 400 мм²/с.

Пожалуйста, уточняйте цену у консультанта онлайн или по тел. +7 (351) 200-22-88.

Продукция в наличии. Звоните!

 

Остались вопросы? Напишите нам!

Пожалуйста, заполните поля формы,
чтобы наши специалисты могли
связаться с вами

Оставить заявку
Гидравлическая аппаратура для распределения и управления потоками. Классификация.
Подробнее
Гидрораспределитель. Назначение, основные характеристики. Секционный вид распределителя и его состав.
Подробнее
Масса (без рабочей жидкости) в сравнении: ВЕХ10 не более 3,7кг < ВМР10 не более 3,8кг ВММ10 не более 4кг ВЕ10 не более 6,1кг.
Подробнее
Используя данный сайт, Вы соглашаетесь с условиями пользовательского соглашения и даёте разрешение на использование файлов куки(cookies).