ГАРАНТИИ ПРОИЗВОДИТЕЛЕЙ Доставка до ТК - бесплатно! Подбор гидрораспределителя - бесплатно!
1РММ10 44Ф Гидрораспределитель золотниковый с ручным управлением 1РММ10 44Ф в наличии в ТД УралГидроМаш в Челябинске с гарантией производителя. Подбор бесплатно. Схемы подключения. Цена. 1РММ10 44Ф 1РММ10 44Ф
Поделиться:

1РММ10 44Ф

  • золотниковый гидрораспределитель
  • работает от ручного управления - положение золотника управляется движением руки
  • золотник имеет три положения при управлении
  • без пружинного возврата с фиксацией
  • пружины отсутствуют и золотник в каждой из позиций удерживается шариковым пружинным фиксатором
    Гидрораспределитель 1РММ10.44Ф имеет аналог - это ВММ10.44Ф

Назначение гидрораспределителя 1РММ10.44Ф

Гидравлический распределитель — устройство, предназначенное для управления гидравлическими потоками в гидросистеме с помощью внешнего воздействия.

Предназначен для изменения направления или пуска и остановки потока рабочей жидкости в гидравлических линиях, машинах, оборудовании.

Применение распределителя 1РММ10.44Ф

Используется в машиностроении, металлургии, легкой промышленности и дорожно-строительной технике. Устанавливается в гидросистемы станков, гидравлических прессов, в системы и устройства с автоматическим и полуавтоматическим циклом работы (ГАП, манипуляторы, станки с ЧПУ) работающих при температуре от -20 до +70ºС.

Цену уточняйте по номеру телефона
+7 (351) 200-22-88 или оставьте ваши контакты и мы вам перезвоним

Технические характеристики

Наименование характеристики Значение
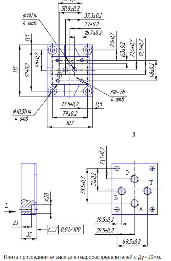
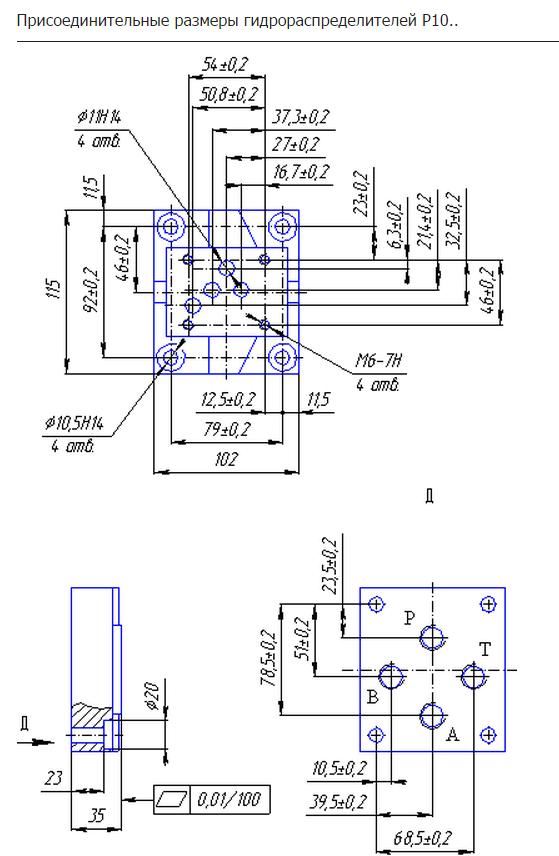
Ду = 10 мм
Схема распределения потока жидкости (гидросхема) 34
Расход рабочей жидкости 25-40 л/мин
Давление на входе (номинальное) 32 МПа
Давление на сливе (максимальное) 15 МПа
Максимальное давление управления  0,8-6,0 МПа 
Максимальные внутренние утечки на каждой линии при давлении 10/32МПа - 60/150см³/мин
С фиксацией золотника в среднем положении шариковым пружинным фиксатором обозначение Ф

 

Устройство гидрораспределителей 1РММ 10 44Ф

  • корпус
  • золотник - переключается вручную
  • электромагнит (один или два)
  • каналы, с помощью которых подключаются гидролинии
  • рукоятка или поворотный переключатель
  • шариковый пружинный фиксатор

Золотник в корпусе переключается вручную с помощью рукоятки (или поворотного переключателя), связанной с золотником через поводок.

В гидрораспределителе 1РММ10 44 Ф пружины отсутствуют и золотник в каждой из позиций удерживается шариковым пружинным фиксатором.

Работа гидрораспределителя 1РММ 10 44 Ф

Смещение золотника в одну из рабочих позиций производится одним из электромагнитов с помощью толкателя.

Возврат золотника в среднюю позицию пружинами происходит в результате отключения электромагнитов.

Кнопки служат для подключения магнитов к электросистеме при наладке и в случае аварийной ситуации. В стандартных условиях магниты подключаются штепсельным разъемом. 

Гидравлические распределители 1РММ представлены в нашей товарной карте

Гидрораспределитель 1РММ6 Гидрораспределитель 1РММ10
 с фиксацией пружинами  шариковым пружинным фиксатором

с фиксацией пружинами

 шариковым пружинным фиксатором

1РММ6 14

1РММ6 24

1РММ6 34

1РММ6 64

1РММ6 573

1РММ6 574

1РМР6 574А

=1ВМР6 574А

1РММ6 14Ф

1РММ6 24Ф

1РММ6 34Ф

1РММ6 44Ф

1РММ6 64Ф

1РММ10 14

1РММ10 34

1РММ10 44

1РММ10 64

1РММ10 574

 

1РММ10 14Ф

1РММ10 34Ф

1РММ10 44Ф

1РММ10 64Ф

Используемая для гидрораспределителей 1РММ10  рабочая жидкость по ГОСТ 17216-71 требует очистки не грубее 12-го класса чистоты. Следовательно, от применения фильтров (с тонкостью фильтрации ном. не грубее 25 мкм) зависит надёжность и долговечность гидроаппарата.

Предъявляемым требованиям соответствуют следующие рабочие жидкости: ИГП-30, ИГП-34, ИГП-18, ВНИИ НП-403 при температуре рабочей жидкости от +1 до +70ºC.

Использование других жидкостей с аналогичными свойствами допускается.

Гидрораспределители 1РММ эксплуатируются на минеральных маслах с кинематической вязкостью от 10 до 400 мм²/с.

Пожалуйста, уточняйте цену у консультанта онлайн или по тел. +7 (351) 200-22-88.

Продукция в наличии. Звоните!

 

Остались вопросы? Напишите нам!

Пожалуйста, заполните поля формы,
чтобы наши специалисты могли
связаться с вами

Оставить заявку
Гидравлическая аппаратура для распределения и управления потоками. Классификация.
Подробнее
Гидрораспределитель. Назначение, основные характеристики. Секционный вид распределителя и его состав.
Подробнее
Масса (без рабочей жидкости) в сравнении: ВЕХ10 не более 3,7кг < ВМР10 не более 3,8кг ВММ10 не более 4кг ВЕ10 не более 6,1кг.
Подробнее
Используя данный сайт, Вы соглашаетесь с условиями пользовательского соглашения и даёте разрешение на использование файлов куки(cookies).