ГАРАНТИИ ПРОИЗВОДИТЕЛЕЙ Доставка до ТК - бесплатно! Подбор гидрораспределителя - бесплатно!
Пропорциональный распределитель Rexroth 4WRKE25 W6-350L-33/6EG24ETK31/A1D3M Пропорциональный распределитель Rexroth 4WRKE25 W6-350L-33/6EG24ETK31/A1D3M Пропорциональный распределитель Rexroth 4WRKE25 W6-350L-33/6EG24ETK31/A1D3M
Поделиться:

Пропорциональный распределитель Rexroth 4WRKE25 W6-350L-33/6EG24ETK31/A1D3M

  • пропорциональные гидрораспределители
  • непрямого действия
  • с электрической позиционной обратной связью
  • управление направлением и величиной расхода
  • управляют величиной и направлением потока

Пропорциональный клапан с сервоприводом серии 4WRKE. Пилотное управление, со встроенной электроникой (OBE) и электрической обратной связью.

Цену уточняйте по номеру телефона
+7 (351) 200-22-88 или оставьте ваши контакты и мы вам перезвоним

Технические характеристики

Наименование характеристики Значение
Серия
Максимальное давление до 350 бар
Пилотное управление с помощью 3-линейного пропорционального распределителя
Способ установки золотника Пружинное центрирование основного золотника
Типоразмеры 10-25
Максимальный расход 870 л / мин
Определение позиции золотника с помощью индуктивного датчика перемещения
Номинальный расход 220; 350 л/мин
Рабочее напряжение 24 В
Переходная функция 0 до 90 % 50 мс
Присоединение стыковое, двухступенчатые 

 

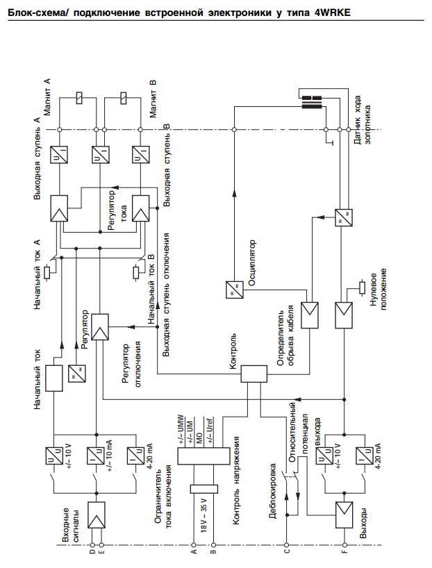
Пропорциональные распределители Rexroth 4WRKE 25: принцип действия

Основной золотник имеет позиционное управление, при этом его положение не зависит от сил потока даже при больших расходах.

Основные детали:

управляющий распределитель
корпус
основной золотник
крышки
центрирующая пружина
индуктивный датчик хода,
редукционный клапан

Принцип действия пропорциональных распределителей Rexroth 4WRKE 25 W6-350L-33/6EG24ETK31/A1D3M подробно изложен в галерее изображений.

Импортозамещение гидрораспределителей 

Используя технические характеристиками, схемы, описание устройства и принцип работы нижеперечисленных гидрораспределителей, можно осуществить подбор и заменить данные гидравлические распределители на распределители отечественного производства.

Гидрораспределители Rexroth:

 

  1. Rexroth 4WE 6 A62 EG24N9K4
  2. Rexroth 4WE 6 E62/EG24N9K4
  3. Rexroth 4WE 6 HA62/EG24N9K4
  4. Rexroth 4WE 6 D62 EG24N9K4
  5. Rexroth 4WE 6 M62 EG24N9K4
  6. Rexroth 4WE 6 G62 EG24N9K4
  7. Rexroth 4WE 6 J62 EG24N9K4
  8. Rexroth 4WE 10 J33/CG24N9K4
  9. Rexroth 4WE 10 E33/CG24N9K4
  10. Rexroth 4WE 10 D33/G24N9K4
  11. Rexroth 4WE 10 D62/G24N9K4
  12. Rexroth 4WE 10 D3X/G24N9K4
  13. Rexroth 4WE 10 Y62/G24N9K4
  14. Rexroth 4WE 10 H62/G24N9K4
  15. Rexroth 4WE 10 J62/G24N9K4
  16. Rexroth 4WE 10 E62/G24N9K4
  17. Rexroth 4WE 10 E50/G24N9K4
  18. Rexroth 4WE 10 G33/G24N9K4
  19. Rexroth 4WE 10 G62/G24N9K4
  20. Rexroth 4WE 10 J33/G24N9K4
  21. Rexroth 4WE 10 J33/G24N9K4
  22. Пропорциональный распределитель Rexroth 4WRZE 25 W8-325-07/6
  23. Пропорциональный распределитель Rexroth 4WRKE 25 W6-350L-33/6
  24. Пропорциональный распределитель Rexroth 4WRPH 6 C4 B25P-20/G24Z4/M
  25. Пропорциональный распределитель Rexroth 4WRZE 25 W8-325-71/6
  26. Пропорциональный распределитель Rexroth 4WREE 10 W1-50-23/G24K31/A1V
  27. Пропорциональный распределитель Rexroth HY N25 RPE325.TD
  28. Пропорциональный распределитель Rexroth 4WMM6D53 F V
  29. Пропорциональный распределитель Rexroth 4WEH22 E76 6EG24N9ESK4 B10
  30. Пропорциональный распределитель Rexroth 4WEH22 G76 6EG24N9ESK4 B10
  31. Пропорциональный распределитель Rexroth 4WEH22 H76 6EG24N9ESK4 B10
  32. Пропорциональный распределитель Rexroth 4WEH22 J76 6EG24N9ESK4 B10
  33. Пропорциональный распределитель Rexroth 4WEH22 M76 6EG24N9ESK4 B10
  34. Пропорциональный распределитель Rexroth 4WPKE25 W6-350L-33/6EG24ETK31/A1D3M

 

Гидрораспределители Atos:

  1. ATOS DHI-0751/2WP 23
  2. ATOS DPHI-3713/D 55
  3. ATOS DH-0631/2/A DC 10
  4. ATOS DHE-0713 DC10
  5. ATOS DKE-1713 DC 10
  6. ATOS DKE-1711 DC 10

 

Гидрораспределители Parker:

  1. Parker D1DW-30-B-V-JP-70
  2. Parker D1VW-001-C-N-Y-W-91
  3. Parker D1VW-004-C-N-Y-W-91
  4. Parker D1VW-004-C-N-J-W-91
  5. Parker D81VW 030 B 1 N J W 91 X729
  6. Parker D3W-0-0-9-C-N-J-W-42

 

Гидрораспределители Caproni RH06(RH10)...1-...F... (с электромагнитным управлением):

  1. RH06...1-...F... (с электромагнитным управлением, Ду=6 мм)
  2. RH10...1-...F... (с электромагнитным управлением, Ду=10 мм)

 

Пожалуйста, уточняйте цену у консультанта онлайн, по электронной почте: 82002288@mail.ru или по тел. + 7 (351) 200 22 88.

Продукция в наличии. Звоните!

 

 

 

 

Остались вопросы? Напишите нам!

Пожалуйста, заполните поля формы,
чтобы наши специалисты могли
связаться с вами

Оставить заявку
Гидравлическая аппаратура для распределения и управления потоками. Классификация.
Подробнее
Гидрораспределитель. Назначение, основные характеристики. Секционный вид распределителя и его состав.
Подробнее
Масса (без рабочей жидкости) в сравнении: ВЕХ10 не более 3,7кг < ВМР10 не более 3,8кг ВММ10 не более 4кг ВЕ10 не более 6,1кг.
Подробнее
Используя данный сайт, Вы соглашаетесь с условиями пользовательского соглашения и даёте разрешение на использование файлов куки(cookies).