ГАРАНТИИ ПРОИЗВОДИТЕЛЕЙ Доставка до ТК - бесплатно! Подбор гидрораспределителя - бесплатно!
НШ 6 левый и правый Насос шестеренный НШ 6 левый и правый в наличии в ТД УралГидроМаш в Челябинске с гарантией производителя. Характеристики, цены. Доставка до ТК - бесплатно! НШ 6 левый и правый НШ 6 левый и правый
Поделиться:

НШ 6 левый и правый

Насос шестеренный

  • модели НШ6Г-3, НШ6-3 - правого вращения
  • модели НШ6Г-3Л, НШ6-3Л - левого вращения

Применяются для нагнетания рабочей жидкости в гидравлические системы тракторов, сельскохозяйственных и других машин.

Тракторы: ХТЗ-17021, ХТЗ-17121, ХТЗ-17221, ХТЗ-153, ХТЗ-153Б, ХТЗ-180, ХТЗ-181/200, ХТЗ-120/121, ХТЗ-16031, ХТЗ-16132, ХТЗ-16231, Т-150, Т-150-05, Т-150Д (бульдозер).

Цену уточняйте по номеру телефона
+7 (351) 200-22-88 или оставьте ваши контакты и мы вам перезвоним

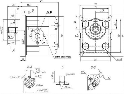
Технические характеристики НШ 6 левого и правого

Наименование характеристики Значение
Рабочий объём 6,3 см³
Давление на выходе номинальное  16 МПа
Давление на выходе максимальное 21 МПа
Номинальная подача 16,2 л/мин 
Номинальная частота вращения 50 об/с   
Номинальная мощность 4,3 кВт 
Масса 2,5 кг

 

Схема условного обозначения

НШ - насос шестеренный

6 - обозначает рабочий объем: бывает от 4 до 250 см³

Г - конструктивное исполнение, тип производимой серии: "У" – стандарт, "A" – ANTEY, "М" – MASTER, "Г"

3 (4) - исполнение по давлению. Так, 3 – это номинальное давление 16 Мпа(160 кгс/см²), максимальное 21 Мпа(210 кгс/см²), а 4 – номинальное давление 20 Мпа(200 кгс/см²), максимальное 25 Мпа(250 кгс/см²)

Л - направление вращения вала. Здесь просто нужно смотреть со стороны вала, если Л, то левое вращение (против часовой стрелки). В случае отсутствия обозначения направления вращения вала, то модель правого вращения (по часовой стрелке)

Т - климатическое исполнение. Т – тропический климат, У или без указания буквы – умеренный климат.

Примечание. Насосы конструктивного исполнения "Г"  изготавливаются со сквозным равнопрочным корпусом, исключающим возможность перекоса качающего узла, что обеспечивает стабильную работу насоса на протяжении всего срока службы.

Насосы типоразмерного ряда групп 3 и 4 работают в гидросистемах с давлением до 25 МПа.

Требования к рабочей жидкости

В качестве рабочей жидкости (РЖ) для насоса третьего исполнения НШ 6(Г)-3(Л) должны применяться

летом — моторное масло М-10В2,

зимой — моторные масла М-8Г1, М-8Г2.

В качестве РЖ могут применяться масла иностранных фирм.

НШ шестеренный масляный насос купить в Челябинске

В ТД УралГидроМаш по цене и с гарантией производителя

 

НШ4Г3 и 4Г3Л,

НШ6М3 и 6Д3,

НШ6Л и 6,

НШ10У3 и 10У3Л,

НШ10М3 и 103Л,

НШ25М3 MASTER,

НШ32У3 и 32У3Л,

НШ32М3 и 32М3Л,

НШ40Д4 и 40Д4Л,

НШ50У3 и 50У3Л,

НШ50М3 и 50М3Л,

НШ71А 3,

НШ100А3 круглый,

НШ180Г4,

НШ250Г4 и 250Г4Л

Сделать заказ и уточнить информацию вы можете по

телефону +7 (351) 200-22-88 или

по E-mail: 82002288@mail.ru

 

Остались вопросы? Напишите нам!

Пожалуйста, заполните поля формы,
чтобы наши специалисты могли
связаться с вами

Оставить заявку
Гидравлические машины шестеренного типа: виды, отличия. принципиальная схема.
Подробнее
Применение, модификации, принцип работы.
Подробнее
Используя данный сайт, Вы соглашаетесь с условиями пользовательского соглашения и даёте разрешение на использование файлов куки(cookies).