ГАРАНТИИ ПРОИЗВОДИТЕЛЕЙ Доставка до ТК - бесплатно! Подбор гидрораспределителя - бесплатно!
1Р203 АЛ1 24Р В220 Гидрораспределитель золотниковый с электрогидравлическим управлением 1Р203 АЛ1 24Р В220 в ТД УралГидроМаш в Челябинске с гарантией производителя. Подбор бесплатно. Схемы подключения. Цена. 1Р203 АЛ1 24Р В220 1Р203 АЛ1 24Р В220
Поделиться:

1Р203 АЛ1 24Р В220

  • золотниковый гидрораспределитель 1Р203 АЛ1 24Р
  • с электрогидравлическим управлением
  • Применяются в гидроприводах станков, прессов, литейных и литьевых машин, мобильной техники и другого гидрофицированного оборудования.
  • Предназначены для изменения направления или пуска и остановки потока рабочей жидкости в гидросистемах.

Используются в горнодобывающей и перерабатывающей технике, в мобильных установках для управления гидравлическими потоками в гидросистемах.

Цену уточняйте по номеру телефона
+7 (351) 200-22-88 или оставьте ваши контакты и мы вам перезвоним

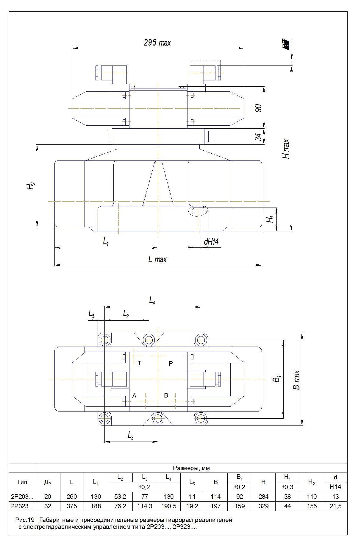
Технические характеристики

Наименование характеристики Значение
 Условный проход  20 мм
Гидравлическая схема 24
Электромагнитный пилот Ду 6мм с двумя электромагнитами
Количество электромагнитов 2
С электромагнитами   переменного тока напряжением 220В 
Возврат золотника Пружинный
Подвод от независимого потока , слив независимый
Расход рабочей жидкости ном  200 л/мин
Давление на входе ном. 32 МПа

Строение и принцип работы гидрораспределителя 1Р203 АЛ1 24Р

Основные части

корпус
золотник
крышки
пружины
пилоты

В корпусе расположены 3 вида каналов:

для подключения основных линий Р, Т, А и В
линии управления Х- подвод, Y- слив
дренажная линия L только для трехпозиционных распределителей с гидравлическим центрированием

Каналы выполнены методом литья. 

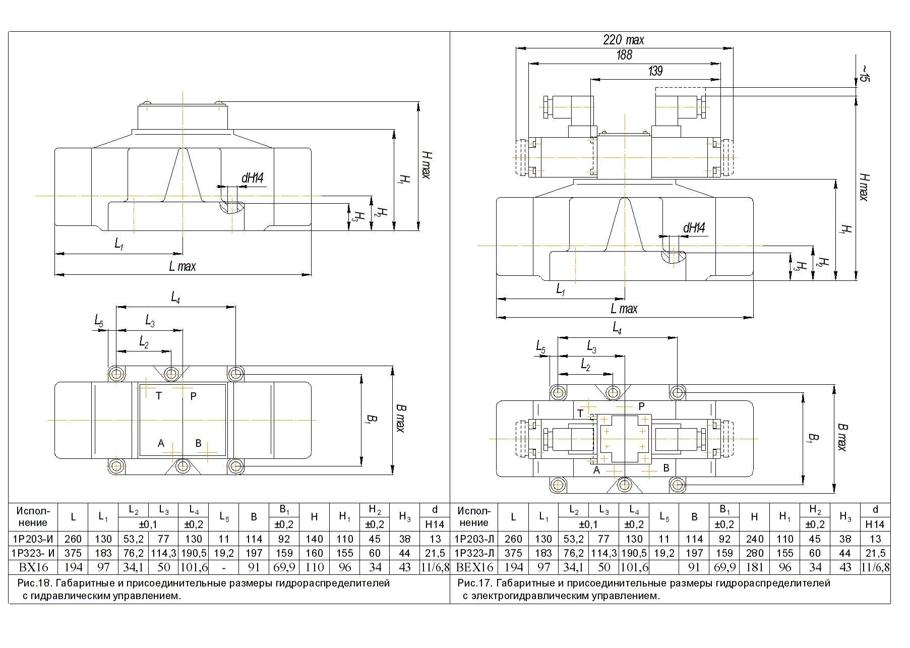
Распределитель гидравлический: способы возврата золотника

Пружинный возврат золотника распределителя с электромагнитным управлением

Гидравлический возврат золотника

Способ установки золотника: фиксация золотника. Ручное управление

1Р203 АЛ1 14 В220

1Р203 АЛ1 14Р В220

1Р203 АЛ1 24 В220

1Р203 АЛ1 24Р В220

1Р203 АЛ1 34 В220

1Р203 АЛ1 34Р В220

1Р203 АЛ1 Д34 В220

1Р203 АЛ1 44 В220

1Р203 АЛ1 44Р В220

1Р203 АЛ1 Д44 В220

1Р203 АЛ1 64 В220

1Р203 АЛ1 64Р В220

1Р203 АЛ1 Д 64 В220

1Р 203 АЕ1 574 В220

2Р203 АЛ1 14 В220

2Р203 АЛ1 24 В220

2Р203 АЛ1 34 В220

2Р203 АЛ1 44 В220

2Р203 АЛ1 64 В220

2Р203 АЖ1 574 В220

 

1Р 203 БЖ1 574 В220

2Р203 БЖ1 574 В220

 

1РН203 ФВ 14

1РН203 ФВ 44

1РН203 ФВ 64

1РН323 ФВ 64

1РН203 ФВ 574

 

РПГ 20/3 СММФ 574  - гидрораспределители непрямого действия стыкового монтажа.

 

 

Для уплотнения стыковой плоскости применяются кольца по ГОСТ 9833-73.

 

Пожалуйста, уточняйте цену у консультанта онлайн, по электронной почте: 82002288@mail.ru или по тел. + 7 (351) 200 22 88.

Продукция в наличии. Звоните!

 

Работоспособность гидрораспределителя 1Р203 АЛ1 24Р В220 продлить?

Нужно всего лишь замену фильтров проводить своевременно, не допускать попадания в систему грязи и чужеродных предметов и, конечно же, "Своевременно менять износившиеся детали!"

Остались вопросы? Напишите нам!

Пожалуйста, заполните поля формы,
чтобы наши специалисты могли
связаться с вами

Оставить заявку
Гидравлическая аппаратура для распределения и управления потоками. Классификация.
Подробнее
Гидрораспределитель. Назначение, основные характеристики. Секционный вид распределителя и его состав.
Подробнее
Масса (без рабочей жидкости) в сравнении: ВЕХ10 не более 3,7кг < ВМР10 не более 3,8кг ВММ10 не более 4кг ВЕ10 не более 6,1кг.
Подробнее
Используя данный сайт, Вы соглашаетесь с условиями пользовательского соглашения и даёте разрешение на использование файлов куки(cookies).