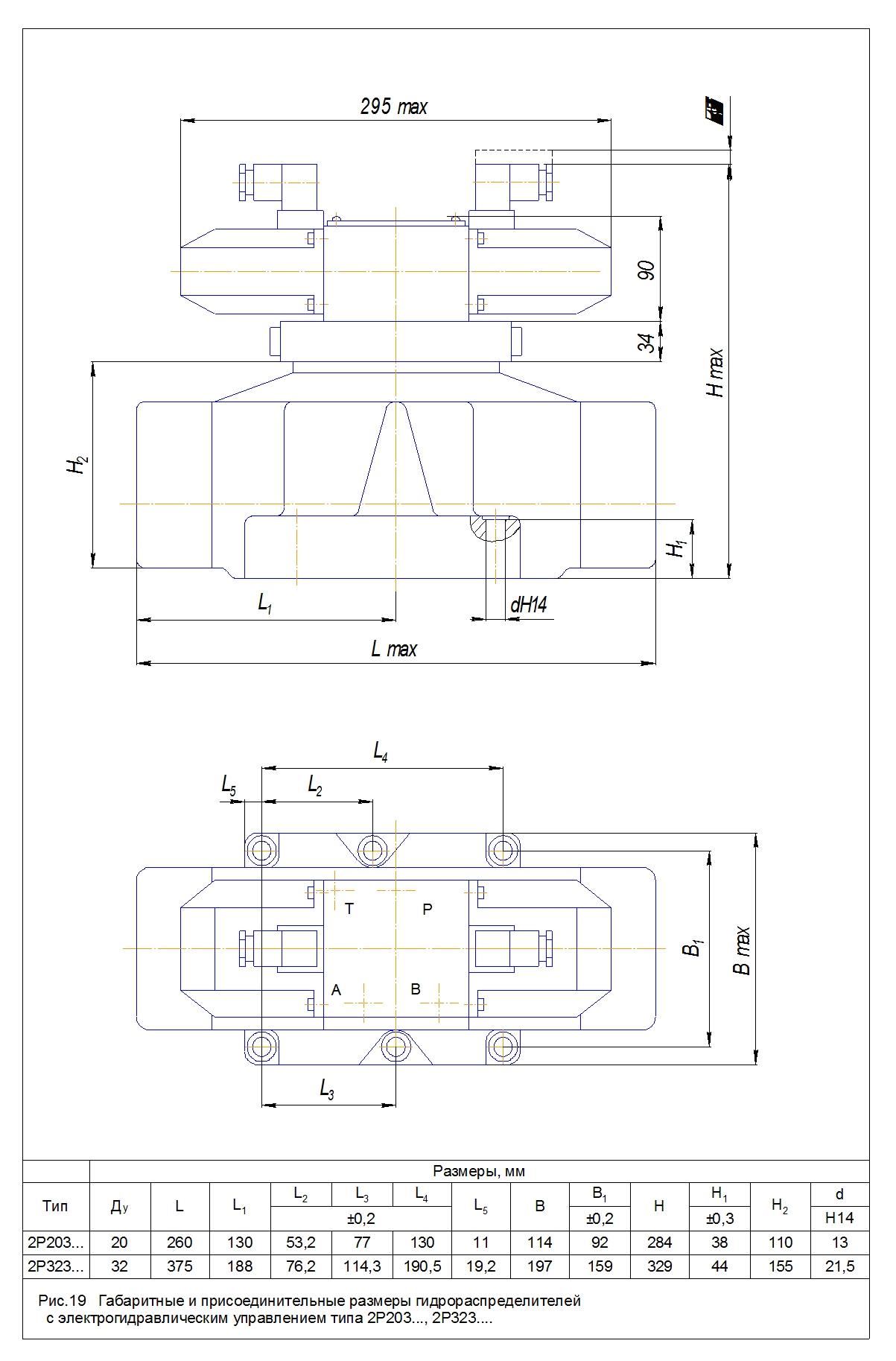
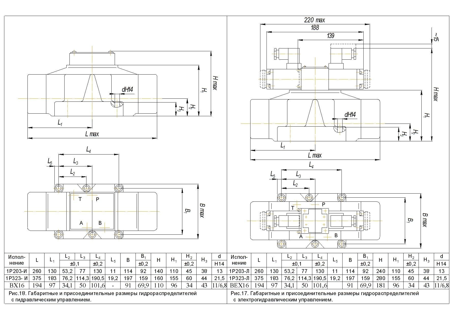
Технические характеристики
| Наименование характеристики | Значение |
| Условный проход | 20 мм |
| Гидравлическая схема | 64 |
| Электромагнитный пилот Ду | 6мм с двумя электромагнитами |
| Количество электромагнитов | 2 |
| С электромагнитами | переменного тока напряжением 220В |
| Возврат золотника | Пружинный |
| Подвод | от независимого потока , слив независимый |
| Расход рабочей жидкости ном | 200 л/мин |
| Давление на входе ном. | 32 МПа |







