ГАРАНТИИ ПРОИЗВОДИТЕЛЕЙ Доставка до ТК - бесплатно! Подбор гидрораспределителя - бесплатно!
РПГ 20/3 СММФ 574 Гидрораспределитель золотниковый с электрогидравлическим или гидроуправлением РПГ 20/3 СММФ 574 в ТД УралГидроМаш в Челябинске с гарантией производителя. Подбор бесплатно. Схемы подключения. Цена.  РПГ 20/3 СММФ 574  РПГ 20/3 СММФ 574
Поделиться:

РПГ 20/3 СММФ 574

Гидрораспределители непрямого действия стыкового монтажа типа РПГ  предназначены для электрогидравлического или гидравлического управления пуском, остановом и направлением движения исполнительных органов гидpопривода.

Область применения: гидроприводы станков, прессов, литейных и литьевых машин, мобильной техники и другого гидрофицированного оборудования.

Цену уточняйте по номеру телефона
+7 (351) 200-22-88 или оставьте ваши контакты и мы вам перезвоним

Технические характеристики

Наименование характеристики Значение
 Условный проход  20 мм
Внутренняя герметичность (максимальные внутренние утечки) не более 500см3/мин
Гидравлическая схема 574
Расход рабочей жидкости ном.  420 л/мин
Давление на входе ном./макс.  32/35 МПа
Масса без рабочей жидкости не более 20 кг

 

Состав, усторйство и работа гидpоpаспpеделителя РПГ 20/3 СММФ 574


Основной каскад гидрораспределителей.
Управляющий каскад гидрораспределителей с электрогидравлическим управлением - это гидрораспределитель прямого действия, соединяющий торцевые камеры золотника основного каскада с подводом или сливом управления.


Управляющий каскад монтируется на основном каскаде.

Для гидроуправляемых аппаратов управляющим сигналом служит давление управления, подаваемое в гидролинии управления (Х и У) основного каскада.

При наладочных работах или в случае аварии (при обесточенных электромагнитах) переключение распределителя может осуществляться нажатием кнопки ручного управления электромагнита при подаче потока управления.

Вывод проводов электромагнитов гидропилота можно осуществлять в четырех различных направлениях. Для поворота угольника электрического разъема необходимо снять угольник с колодкой, отсоединить колодку и установить угольник в нужное положение.

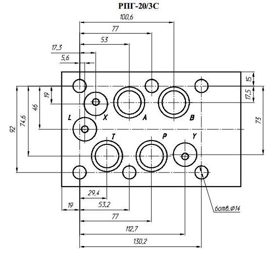
Строение основного каскада гидpоpаспpеделителя РПГ 20/3 СММФ 574


Корпус, являющийся базовой деталью основного каскада содержит следующие каналы:

Р - обеспечивает присоединение напорной гидролинии,

А и В - отвечают за присоединение цилиндровых гидролиний,

Т - это присоединение сливной гидролинии,

Х и У - каналы управления.

В гидравлических распределителях с гидравлическим управлением каналы управления служат для подвода давления управления к торцовым камерам золотника.

В корпусе с гидравлическим центрированием выполняется также дренажная гидролиния L, в то же время, на корпусе монтируется переходная плитка, служащая для соединения гидролиний управления с торцовыми камерами золотника.

В распределителях с электрогидравлическим управлением каналы Х и У служат для присоединения подвода и слива управления при использовании гидравлического распределителя по схеме с раздельным подводом или сливом управления.

На корпусе монтируется переходная плитка, служащая для перемонтажа от схемы использования с раздельным подводом и сливом управления (базовое исполнение) к схеме использования с общим подводом или сливом управления.

Перемонтаж подвода или слива управления осуществляется путем удаления пробок К1/8” из отверстий Х и У переходной плитки.

При превышении давления в сливной гидролинии свыше 6 МПа (максимально допустимое) и в случаях, указанных в примечании к структуре условного обозначения слив управления не может быть объединен с общим сливом.

Возврат золотника гидpоpаспpеделителя РПГ 20/3 СММФ 574


В исполнениях с пружинным возвратом центрирование золотника осуществляется пружиной.

В исполнениях с гидравлическим центрированием золотник центрируется давлением, подаваемым под торцы золотника за счет разности площадей золотника, толкателя и гильзы толкателя.

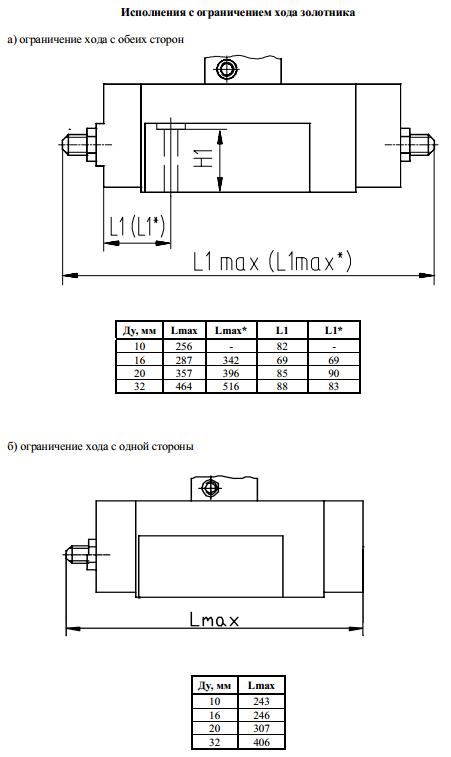
Исполнения с ограничением хода золотника имеют регулировочные винты, расположенные в крышках и взаимодействующие с золотником в соответствующих положениях.

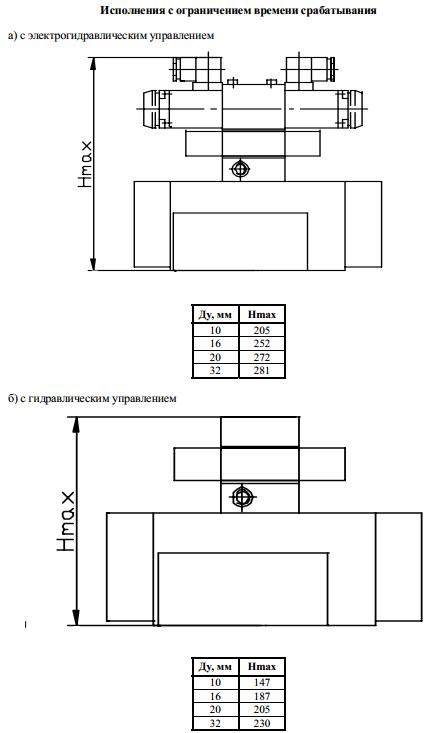
Регулирование времени срабатывания осуществляется дросселированием потока управления посредством гидродросселя с обратным клапаном.

Принцип работы гидpоpаспpеделителя РПГ 20/3 СММФ 574 непрямого действия стыкового монтажа

При подаче управляющего сигнала под действием давления управления, которое подается под торцы золотника, золотник перемещается.

При отсутствии управляющего сигнала золотник возвращается в исходное положение, когда давление в торцовых камерах золотника уравнивается.

Для исполнений с пружинным возвратом золотник возвращается пружинами.

Для исполнений с гидравлическим центрированием - давлением.

В случае аппаратов с гидравлическим управлением гидролинии управления должны соединяться с напорной гидролинией.

Для исполнений с ограничением хода золотника перемещение золотника может ограничиваться винтами для регулирования величины расхода в гидросистеме.

 

Распределитель гидравлический: способы возврата золотника

Пружинный возврат золотника распределителя с электромагнитным управлением

Гидравлический возврат золотника

Способ установки золотника: фиксация золотника. Ручное управление

1Р203 АЛ1 14 В220

1Р203 АЛ1 14Р В220

1Р203 АЛ1 24 В220

1Р203 АЛ1 24Р В220

1Р203 АЛ1 34 В220

1Р203 АЛ1 34Р В220

1Р203 АЛ1 Д34 В220

1Р203 АЛ1 44 В220

1Р203 АЛ1 44Р В220

1Р203 АЛ1 Д44 В220

1Р203 АЛ1 64 В220

1Р203 АЛ1 64Р В220

1Р203 АЛ1 Д 64 В220

1Р 203 АЕ1 574 В220

2Р203 АЛ1 14 В220

2Р203 АЛ1 24 В220

2Р203 АЛ1 34 В220

2Р203 АЛ1 44 В220

2Р203 АЛ1 64 В220

2Р203 АЖ1 574 В220

 

1Р 203 БЖ1 574 В220

2Р203 БЖ1 574 В220

 

1РН203 ФВ 14

1РН203 ФВ 44

1РН203 ФВ 64

1РН323 ФВ 64

1РН203 ФВ 574

 

РПГ 20/3 СММФ 574  - гидрораспределители непрямого действия стыкового монтажа.

Для уплотнения стыковой плоскости применяются кольца по ГОСТ 9833-73.

 

Пожалуйста, уточняйте цену у консультанта онлайн, по электронной почте: 82002288@mail.ru или по тел. + 7 (351) 200 22 88.

Продукция в наличии. Звоните!

 

 

Остались вопросы? Напишите нам!

Пожалуйста, заполните поля формы,
чтобы наши специалисты могли
связаться с вами

Оставить заявку
Гидравлическая аппаратура для распределения и управления потоками. Классификация.
Подробнее
Гидрораспределитель. Назначение, основные характеристики. Секционный вид распределителя и его состав.
Подробнее
Масса (без рабочей жидкости) в сравнении: ВЕХ10 не более 3,7кг < ВМР10 не более 3,8кг ВММ10 не более 4кг ВЕ10 не более 6,1кг.
Подробнее
Используя данный сайт, Вы соглашаетесь с условиями пользовательского соглашения и даёте разрешение на использование файлов куки(cookies).