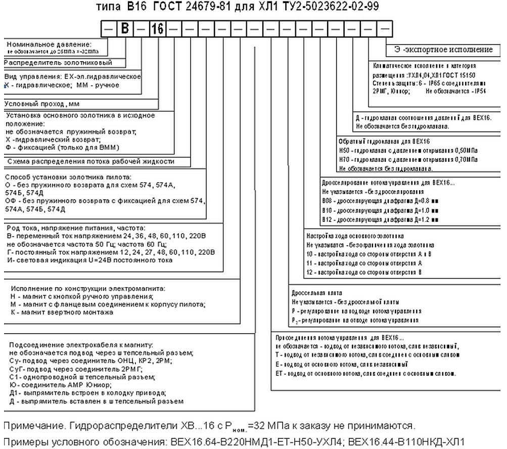
Технические параметры ВЕХ16 24 В220
| Наименование характеристики | Значение |
| Условный проход | 16 мм |
| Давление на входе Рном | 25 МПа |
| Расход рабочей жидкости | 80-125 л / мин |
| Расход рабочей жидкости на линии Р-А (В) | 125 л / мин |
| Схема распределения потока рабочей жидкости | 24 |
| Масса | не более 9,3 кг |
| Количество магнитов | 2 |
| Способ установки золотника пилота | с пружинным возвратом |
| Электромагниты | переменного тока напряжением 220В, частотой 50 Гц |







