ГАРАНТИИ ПРОИЗВОДИТЕЛЕЙ Доставка до ТК - бесплатно! Подбор гидрораспределителя - бесплатно!
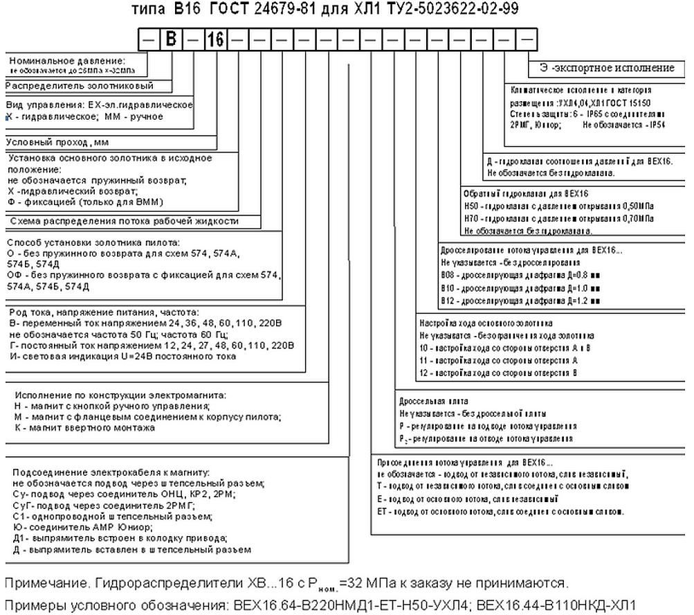
ВЕХ16 34 В220 золотниковый электромагнитный Гидрораспределитель золотниковый с с электрогидравлическим управлением ВЕХ16 34 В220 в ТД УралГидроМаш в Челябинске с гарантией производителя. Подбор бесплатно. Схемы подключения. ВЕХ16 34 В220 золотниковый электромагнитный ВЕХ16 34 В220 золотниковый электромагнитный
Поделиться:

ВЕХ16 34 В220 золотниковый электромагнитный

  • золотниковый Ду = 16мм
  • четырехлинейный
  • с электрогидравлическим управлением
  • импортозамещение (имеют международные присоединительные размеры)

Применяют в гидроагрегатах станков и машин, а также в гидросистемах мобильной техники и буровых машин.

Цену уточняйте по номеру телефона
+7 (351) 200-22-88 или оставьте ваши контакты и мы вам перезвоним

Технические характеристики ВЕХ16 34 В220

Наименование характеристики Значение
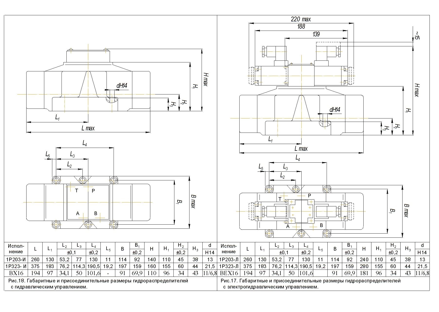
 Условный проход  16 мм
Давление на входе  Рном 25 МПа
Расход рабочей жидкости 80-125 л / мин
Расход рабочей жидкости на линии Р-А (В) 125 л / мин
Схема распределения потока рабочей жидкости 24
Масса не более 9,3 кг
Количество магнитов  2
Способ установки золотника пилота  с пружинным возвратом
Электромагниты переменного тока напряжением 220В, частотой 50 Гц
Максимальная продолжительность включения 10-60 мин

 

Устройство и принцип действия гидрораспределителя с электрогидравлическим управлением ВЕХ 16 34 В220

Конструктивно представлен корпусом, золотником, крышками, пружиной, пилотом.

Корпус пятиканавочный, которые сливочным путем  объединены между собой.

Управление гидрораспределением электрогидравлическое.

Исходное положение: пружиной 3 для распределителя с пружинным возвратом. 

Продуктовая линейка гидрораспределителей В16 серии ВЕХ16 и ВММ16

 

ВЕХ16 14 В220,

ВЕХ16 24 В220,

ВЕХ16 34 В220,

ВЕХ16 44 В220,

ВЕХ16 54 В220,

ВЕХ16 64 В220,

ВЕХ16 574 В220,

ВЕХ16 574 ОФ В220,

ВММ16 34,

ВММ16 34Ф,

ВММ16 44,

ВММ16 44Ф,

ВММ16 54,

ВММ16 54Ф,

ВММ16 64,

ВММ16 64Ф,

ВММ16 574.

Пожалуйста, уточняйте цену у консультанта онлайн или по тел. + 7 (351) 200-22-88. Продукция в наличии. Звоните!

 

 

 

 

Остались вопросы? Напишите нам!

Пожалуйста, заполните поля формы,
чтобы наши специалисты могли
связаться с вами

Оставить заявку
Гидравлическая аппаратура для распределения и управления потоками. Классификация.
Подробнее
Гидрораспределитель. Назначение, основные характеристики. Секционный вид распределителя и его состав.
Подробнее
Масса (без рабочей жидкости) в сравнении: ВЕХ10 не более 3,7кг < ВМР10 не более 3,8кг ВММ10 не более 4кг ВЕ10 не более 6,1кг.
Подробнее
Используя данный сайт, Вы соглашаетесь с условиями пользовательского соглашения и даёте разрешение на использование файлов куки(cookies).