ГАРАНТИИ ПРОИЗВОДИТЕЛЕЙ Доставка до ТК - бесплатно! Подбор гидрораспределителя - бесплатно!
ВММ16 54 ручной Гидрораспределитель золотниковый с ручным управлением ВЕХ16 54 в ТД УралГидроМаш в Челябинске с гарантией производителя. Подбор бесплатно. Схемы подключения. Цена. ВММ16 54 ручной ВММ16 54 ручной
Поделиться:

ВММ16 54 ручной

  • Ду= 16мм,
  • золотниковый,
  • с ручным управлением,
  • участвовать в программе импортозамещения,
  • имеет международные присоединительные размеры.

 

Цену уточняйте по номеру телефона
+7 (351) 200-22-88 или оставьте ваши контакты и мы вам перезвоним

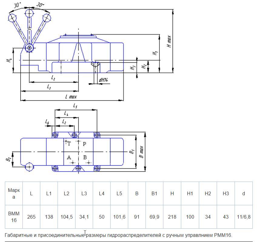
Технические параметры ВММ16 54

Наименование характеристики Значение
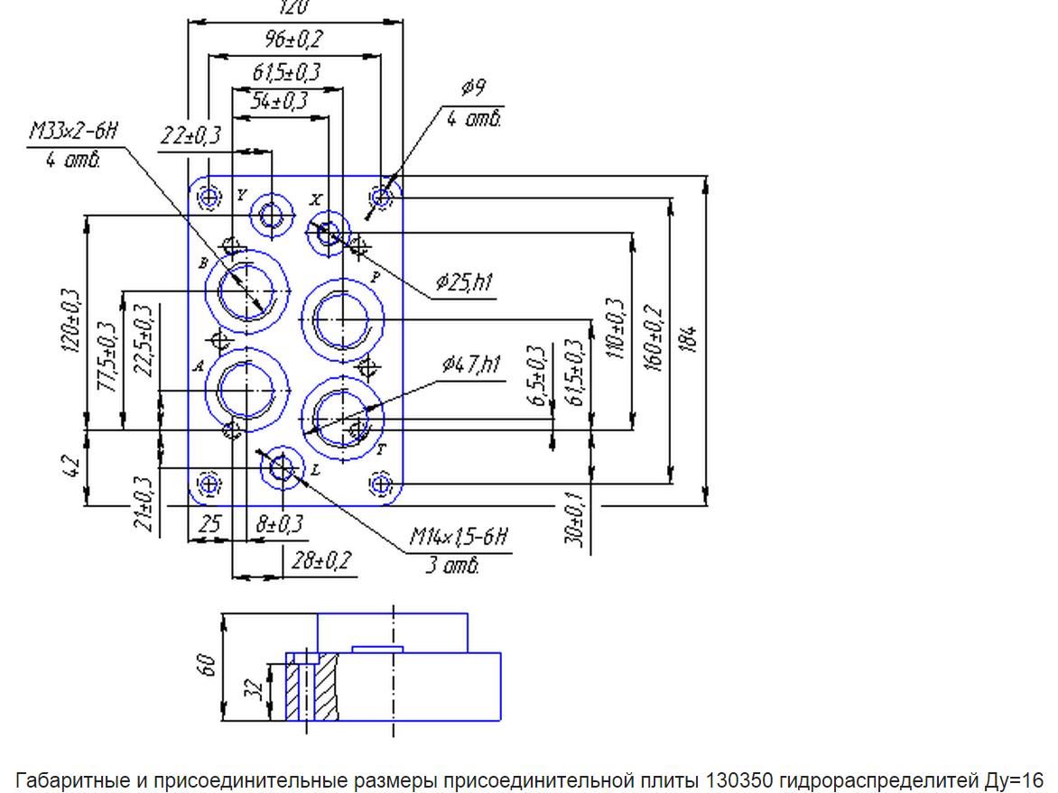
 Условный проход  16 мм
Давление на входе Рном 25 МПа
Расход рабочей жидкости 80-125 л / мин
Схема распределения потока рабочей жидкости 54
с ручным управлением
способ установки золотника пилота с пружинным возвратом

 

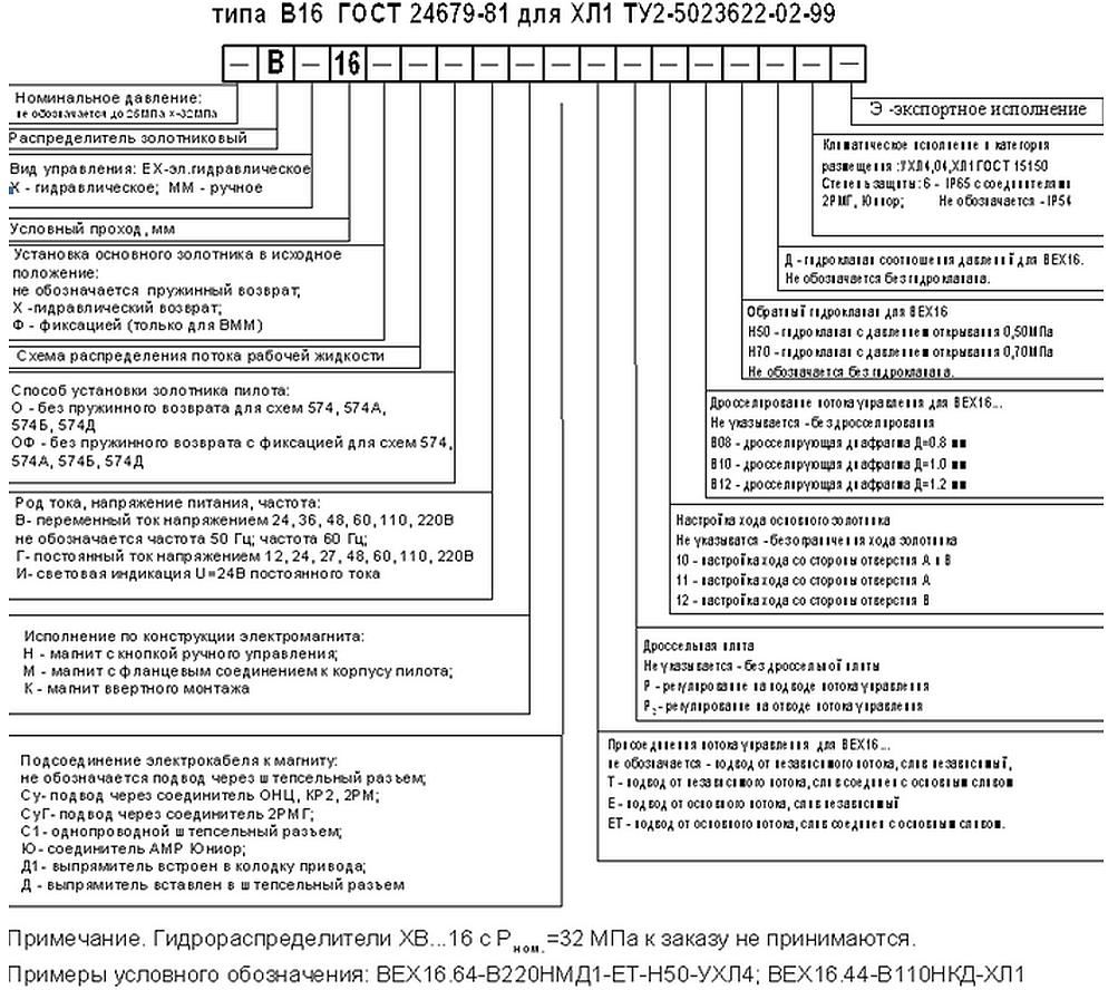
Применение ВММ16.54.В220

ВММ16.54.Ф.В220 используется в:

  • гидравлических агрегатах станков,
  • гидроагрегатов машин,
  • гидросистемах мобильной техники,
  • в гидравлике буровых машин.

Устройство и принцип действия гидрораспределителя с ручным управлением ВММ16 54

Строение ВММ16 54

  • Корпус пятиканавочный,
  • сливочные полости внутри объединены между собой;
  • золотник;
  • крышки;
  • пружины;
  • пилот.

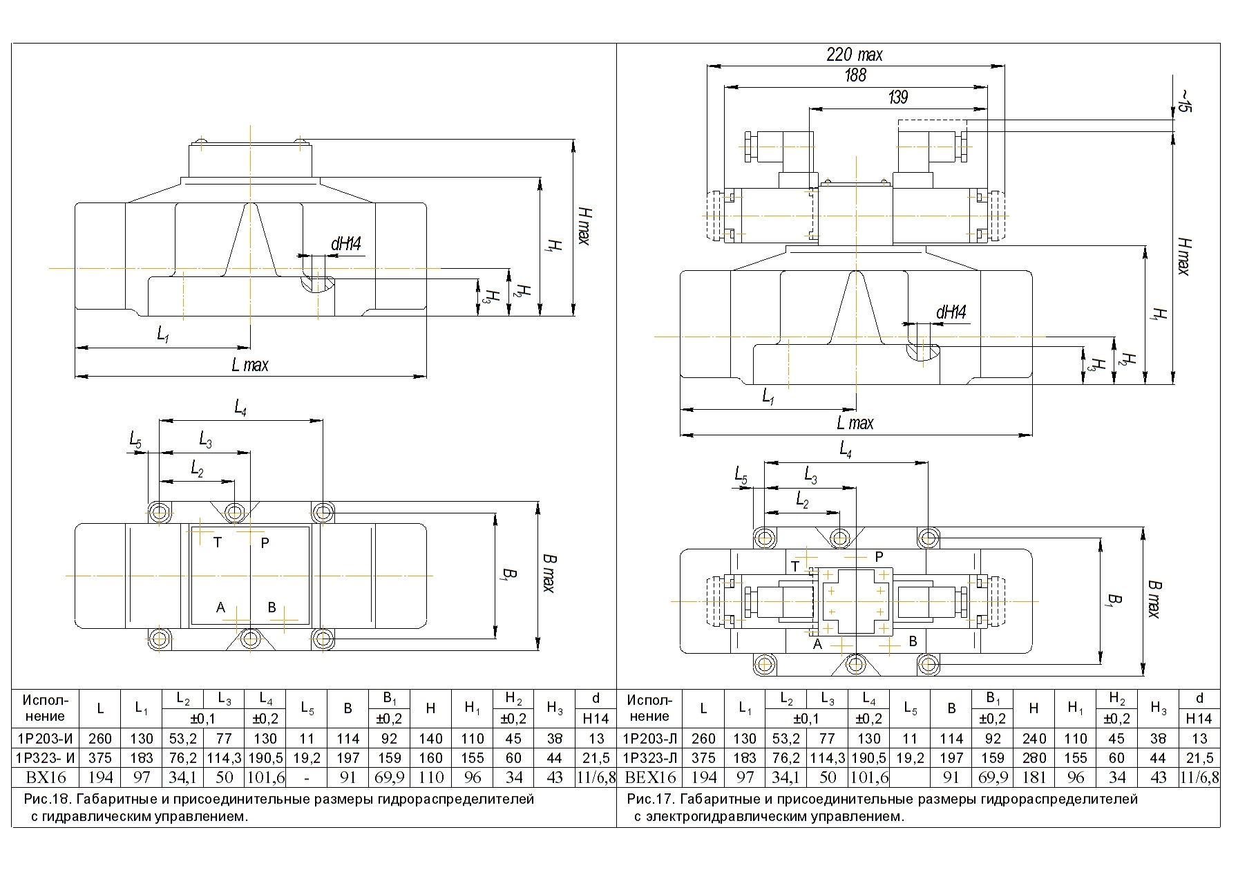
Продуктовая линейка гидрораспределителей В16 серии ВЕХ16 и ВММ16

 

ВЕХ16 14 В220,

ВЕХ16 24 В220,

ВЕХ16 34 В220,

ВЕХ16 44 В220,

ВЕХ16 54 В220,

ВЕХ16 64 В220,

ВЕХ16 574 В220,

ВЕХ16 574 ОФ В220,

ВММ16 34,

ВММ16 34Ф,

ВММ16 44,

ВММ16 44Ф,

ВММ16 54,

ВММ16 54Ф,

ВММ16 64,

ВММ16 64Ф,

ВММ16 574.

Пожалуйста, уточняйте цену у консультанта онлайн или по тел. + 7 (351) 200-22-88. Продукция в наличии. Звоните!

 

 

Остались вопросы? Напишите нам!

Пожалуйста, заполните поля формы,
чтобы наши специалисты могли
связаться с вами

Оставить заявку
Гидравлическая аппаратура для распределения и управления потоками. Классификация.
Подробнее
Гидрораспределитель. Назначение, основные характеристики. Секционный вид распределителя и его состав.
Подробнее
Масса (без рабочей жидкости) в сравнении: ВЕХ10 не более 3,7кг < ВМР10 не более 3,8кг ВММ10 не более 4кг ВЕ10 не более 6,1кг.
Подробнее
Используя данный сайт, Вы соглашаетесь с условиями пользовательского соглашения и даёте разрешение на использование файлов куки(cookies).