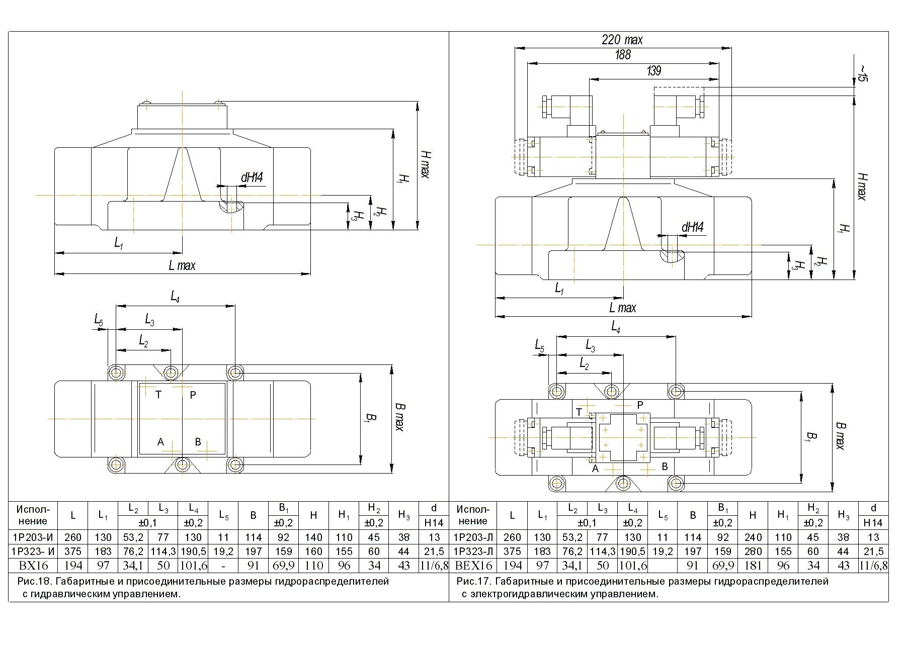
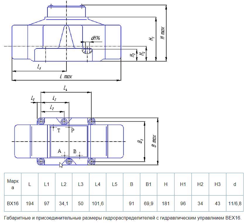
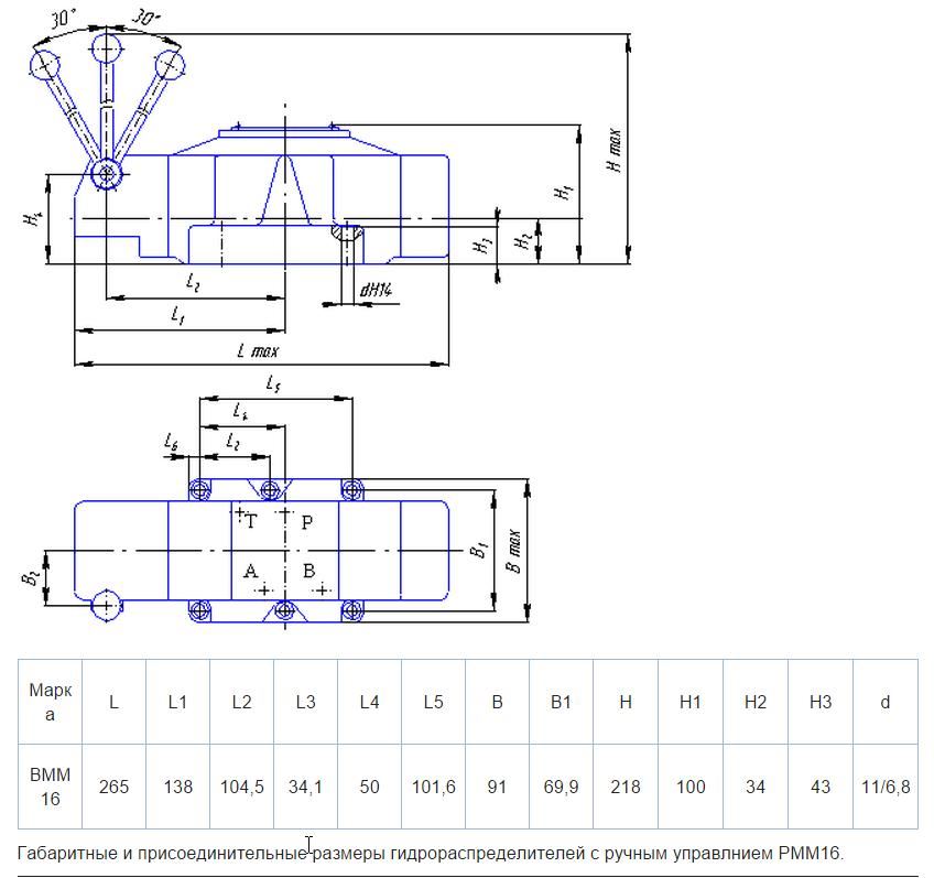
Технические параметры ВММ16 34
| Наименование характеристики | Значение |
| Условный проход | 16 мм |
| Давление на входе Рном | 25 МПа |
| Расход рабочей жидкости | 80-125 л / мин |
| Схема распределения потока рабочей жидкости | 34 |
| с ручным управлением | |
| способ установки золотника пилота | с пружинным возвратом |







