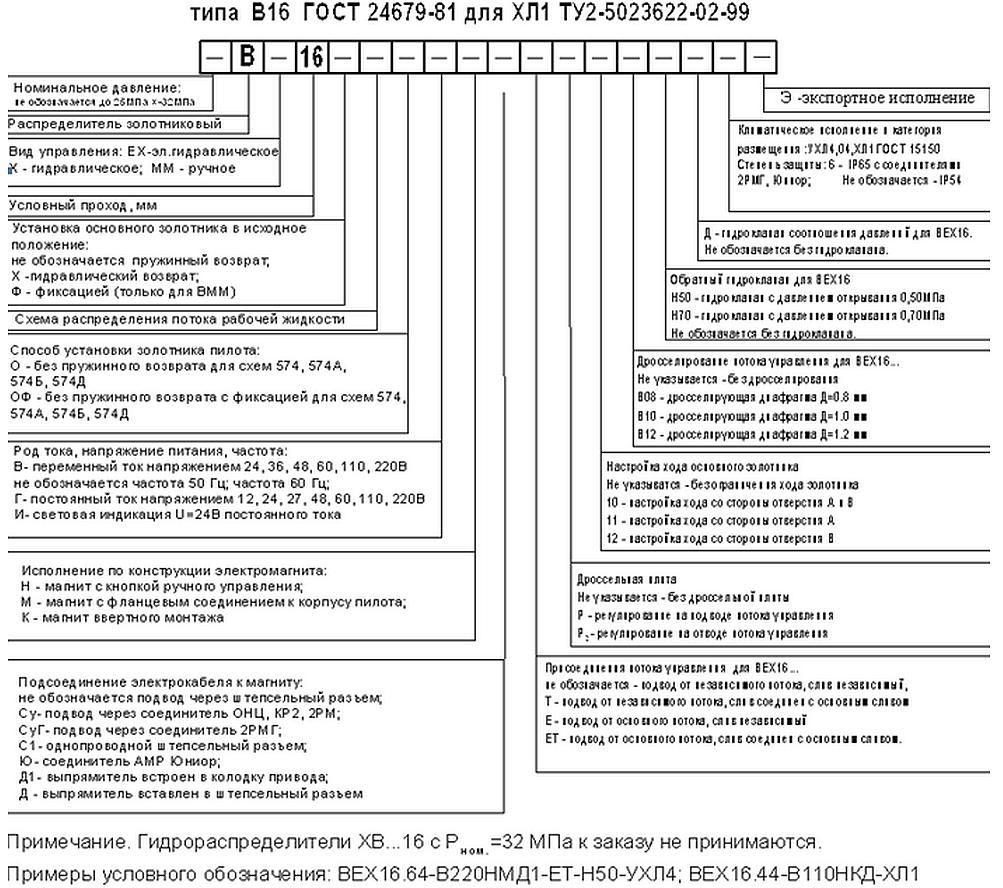
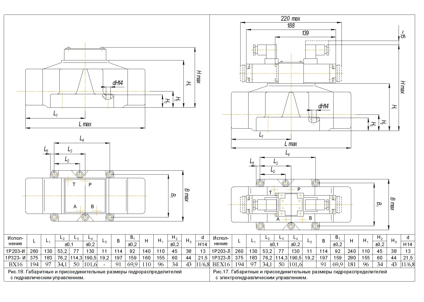
Технические параметры ВЕХ16 574 В220
| Наименование характеристики | Значение |
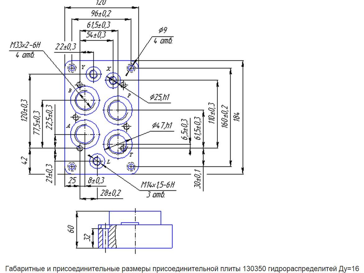
| Условный проход | 16 мм |
| Давление на входе Рном | 25 МПа |
| Давление управления макс. / Мин. | 25/1 МПа |
| Расход рабочей жидкости | 80-125 л / мин |
| Схема распределения потока рабочей жидкости | 574 |
| Масса | не более 9,3 кг |
| Количество магнитов | 1 |
| Способ установки золотника пилота | с пружинным возвратом |
| Магниты | с одним управляющим электромагнитом |







