ГАРАНТИИ ПРОИЗВОДИТЕЛЕЙ Доставка до ТК - бесплатно! Подбор гидрораспределителя - бесплатно!
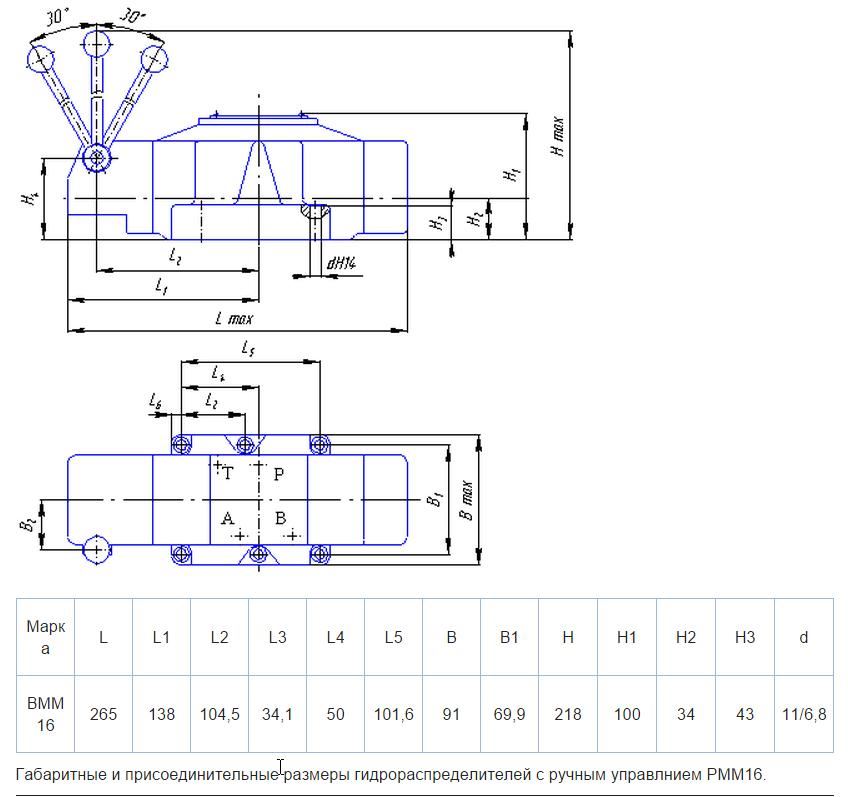
ВММ16 64Ф ручной Гидрораспределитель золотниковый с ручным управлением ВЕХ16 64Ф в ТД УралГидроМаш в Челябинске с гарантией производителя. Подбор бесплатно. Схемы подключения. Цена. ВММ16 64Ф ручной ВММ16 64Ф ручной
Поделиться:

ВММ16 64Ф ручной

  • золотниковый с Ду = 16мм
  • с ручным управлением
  • импортозамещение (имеют международные присоединительные размеры)

Применяют в гидроагрегатах станков и машин, а также в гидросистемах мобильной техники и буровых машин.

Цену уточняйте по номеру телефона
+7 (351) 200-22-88 или оставьте ваши контакты и мы вам перезвоним

Технические параметры ВММ16 64Ф

Наименование характеристики Значение
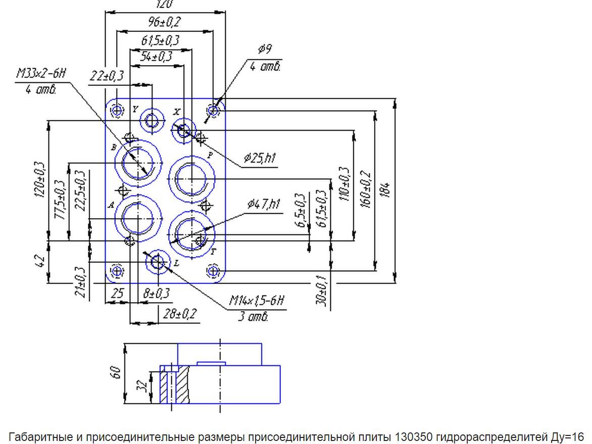
 Условный проход  16 мм
Давление на входе Рном 25 МПа
Расход рабочей жидкости 80-125 л / мин
Схема распределения потока рабочей жидкости 64
с ручным управлением
способ установки золотника пилота  c фиксацией

 

Устройство ВММ 16 64 Ф гидрораспределителя с ручным управлением

Конструктивно состоят из корпуса, золотника, крышек, пружин, пилота.

Корпус выполняется 5-канавочным, сливочным путем внутри объединены между собой.

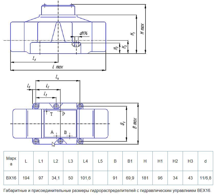
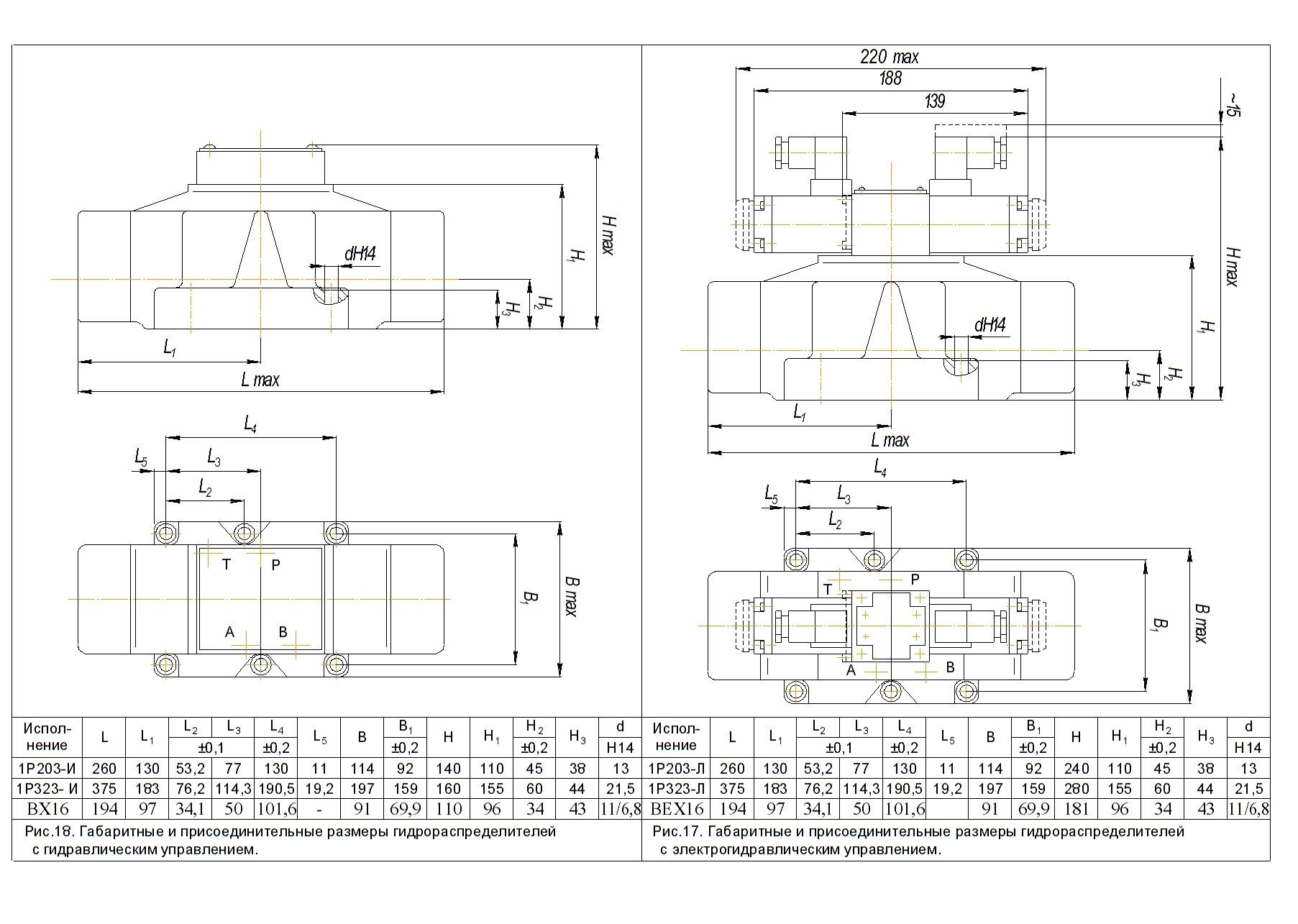
Продуктовая линейка гидрораспределителей В16 серии ВЕХ16 и ВММ16

 

ВЕХ16 14 В220,

ВЕХ16 24 В220,

ВЕХ16 34 В220,

ВЕХ16 44 В220,

ВЕХ16 54 В220,

ВЕХ16 64 В220,

ВЕХ16 574 В220,

ВЕХ16 574 ОФ В220,

ВММ16 34,

ВММ16 34Ф,

ВММ16 44,

ВММ16 44Ф,

ВММ16 54,

ВММ16 54Ф,

ВММ16 64,

ВММ16 64Ф,

ВММ16 574.

Пожалуйста, уточняйте цену у консультанта онлайн или по тел. + 7 (351) 200-22-88. Продукция в наличии. Звоните!

 

Остались вопросы? Напишите нам!

Пожалуйста, заполните поля формы,
чтобы наши специалисты могли
связаться с вами

Оставить заявку
Гидравлическая аппаратура для распределения и управления потоками. Классификация.
Подробнее
Гидрораспределитель. Назначение, основные характеристики. Секционный вид распределителя и его состав.
Подробнее
Масса (без рабочей жидкости) в сравнении: ВЕХ10 не более 3,7кг < ВМР10 не более 3,8кг ВММ10 не более 4кг ВЕ10 не более 6,1кг.
Подробнее
Используя данный сайт, Вы соглашаетесь с условиями пользовательского соглашения и даёте разрешение на использование файлов куки(cookies).