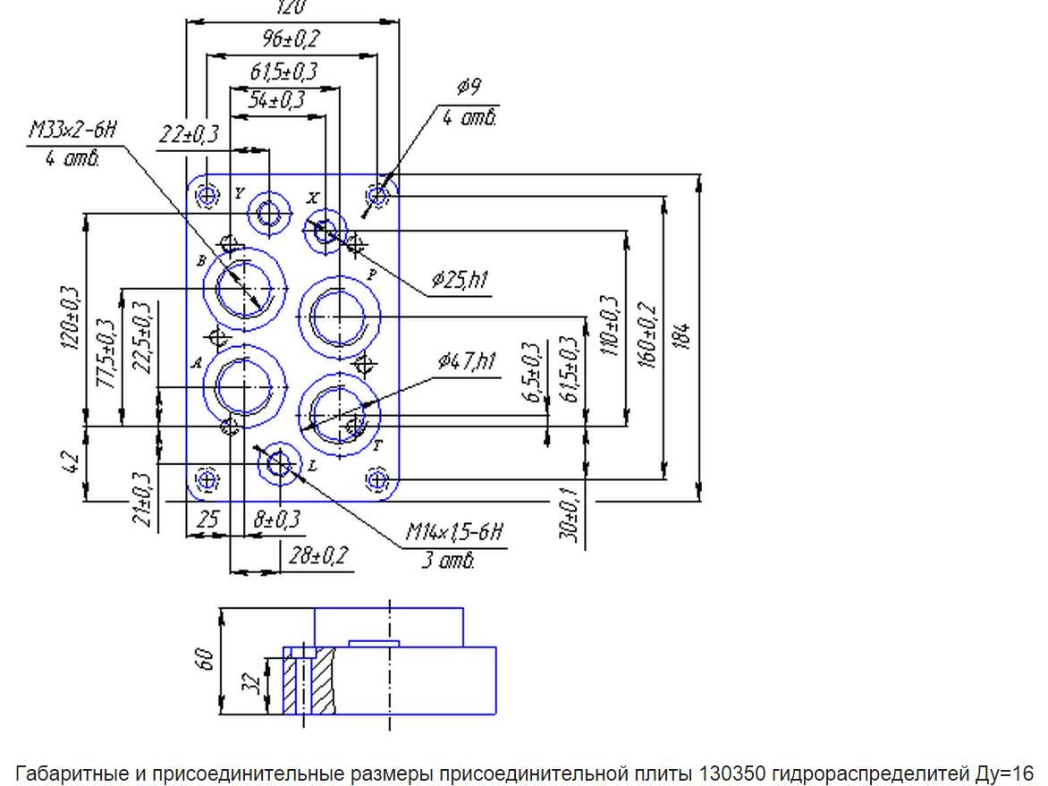
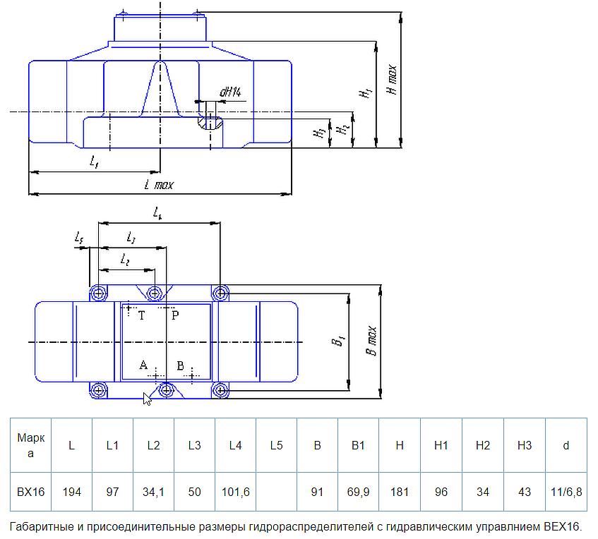
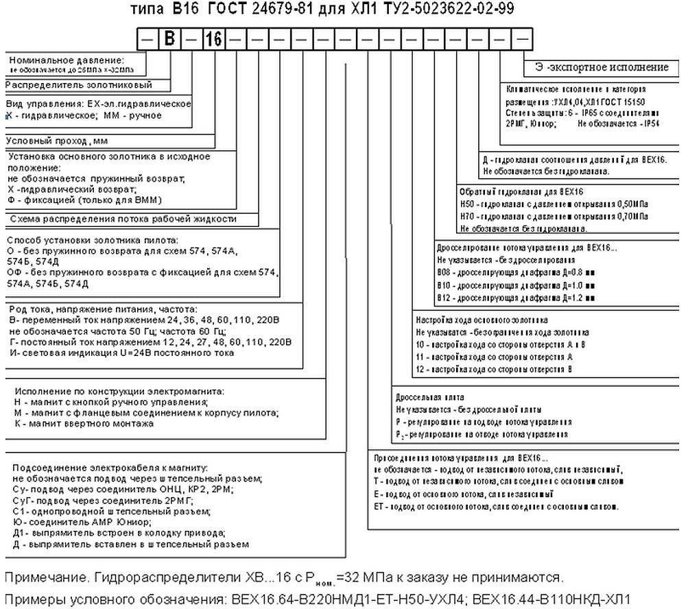
Технические параметры ВЕХ16 574 ОФ В220
| Наименование характеристики | Значение |
| Условный проход | 16 мм |
| Давление на входе Рном | 25 МПа |
| Давление управления макс. / Мин. | 25/1 МПа |
| Расход рабочей жидкости | 80-125 л / мин |
| Схема распределения потока рабочей жидкости | 574 |
| Масса | не более 9,3 кг |
| Количество магнитов | 1 |
| Способ установки золотника пилота | без пружинного возврата с фиксацией |
| управляющий электромагнит | переменного тока напряжением 220В, частотой 50 Гц |







